
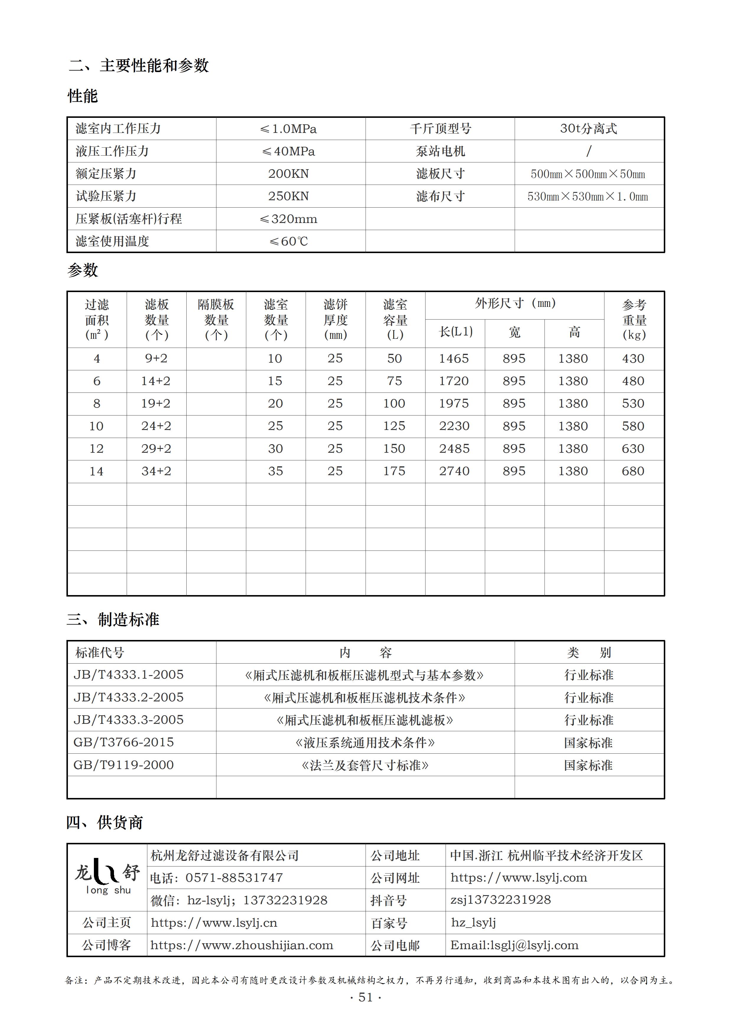
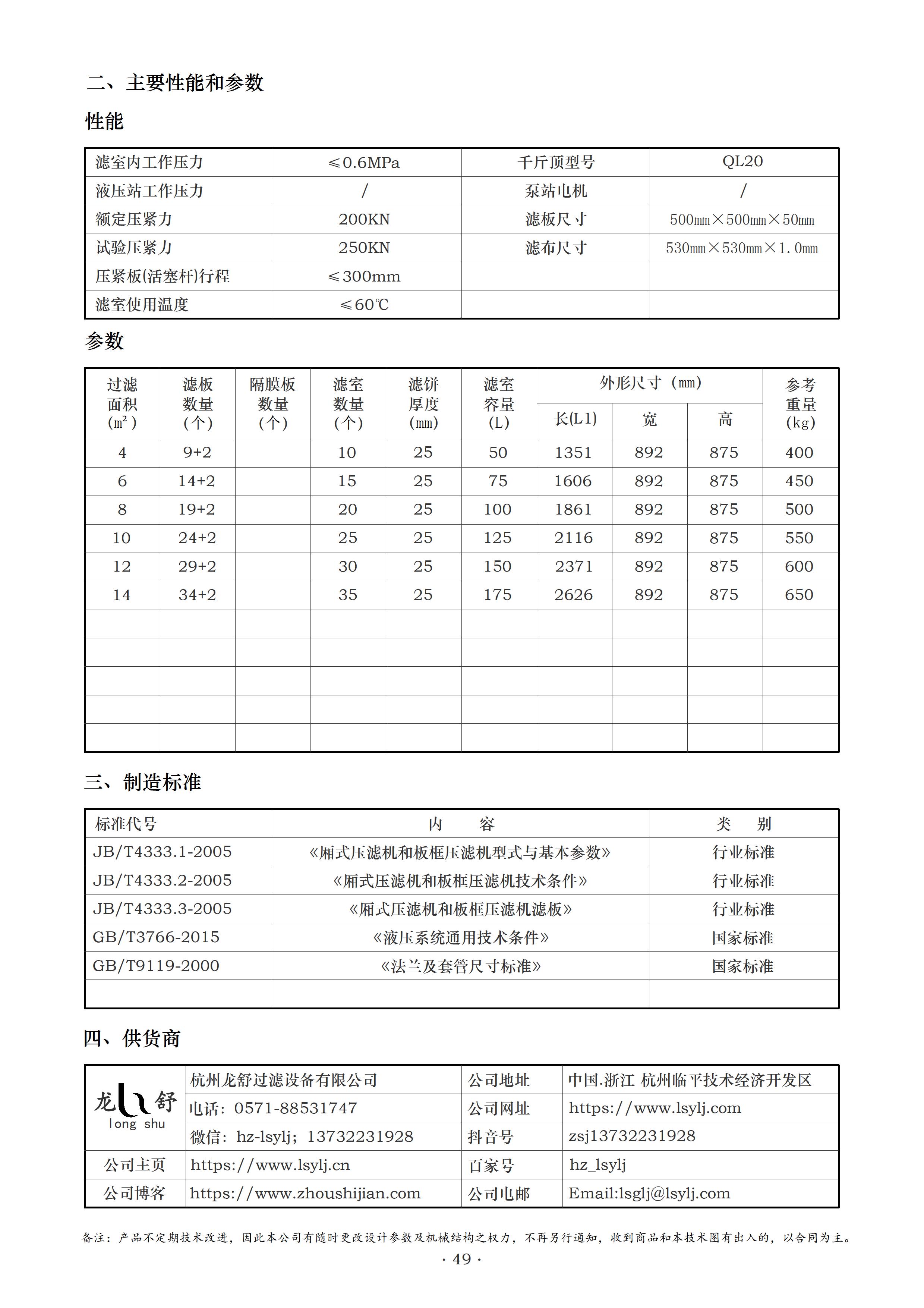
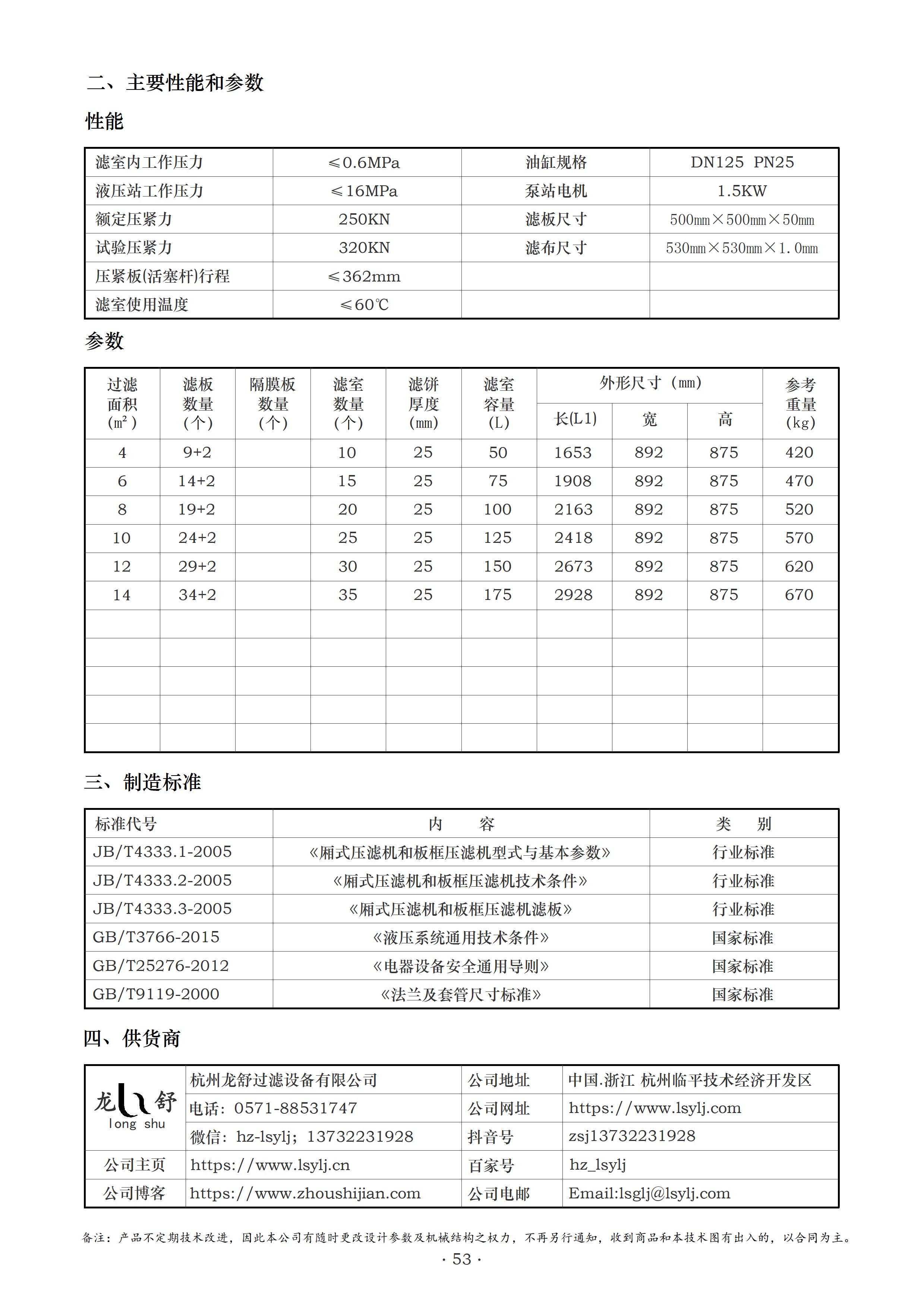
厢式、板框式糖心在线观看视频播放是悬浮液固、液两相分离的理想设备。该系列糖心在线观看视频播放为手动(千斤顶)压紧机型和液压压紧机型。滤板尺寸500mm×500mm,该系列全部为厢式滤板。压紧方式:S 为手动丝杆型;J为手动千斤顶型;Y 为液压型;见图1-5, 机器结构简便,操作易行。该系列糖心在线观看视频播放主要规格有:手动型:XAMS4~14 / 500- U BK-Ⅰ; 千斤顶型:XAMJ4~14 / 500- U BK-Ⅰ;液压型:XAMY4~14 / 500- U BK-Ⅰ; 自动型:XAMZ 4~14 / 500- U BK该系列糖心在线观看视频播放机型较小,压紧、卸料均可手动操作,也可根据用户需要制成液压压紧和自动拉板。糖心在线观看视频播放有明流、暗流之分,它们各自又有滤饼的可洗式和不可洗式。
技术性能
过滤压力 | ≤1.0 MPa |
(液压工作压力) | (14 MPa) |
压紧力 | ≤200 KN |
压紧板行程 | ≤300mm |
使用温度 | ≤100℃ |
主要技术参数
过滤面积 m2 | 滤板数量 块 | 滤室 数量 (个) | 滤饼 厚度 mm | 滤 室 总容积 L | 外形尺寸 mm | 机器 质量 t | 进料管孔直径 mm | 洗涤出液 管孔直径 | ||
长 | 宽 | 高 | ||||||||
4 | 9 | 10 | 25 | 50 | 1465 | 890 | 875 | 0.60 | 50 | 30 |
6 | 14 | 15 | 75 | 1720 | 0.65 | |||||
8 | 19 | 20 | 100 | 1975 | 0.70 | |||||
10 | 24 | 25 | 125 | 2230 | 0.75 | |||||
12 | 30 | 150 | 2485 | 0.80 | ||||||
14 | 34 | 35 | 175 | 2740 | 0.85 | |||||
基础尺寸
过滤面积(m2) | 尺寸L1(mm) | 过滤面积(m2)m2 | 尺寸L1(mm) |
4 | 1143 | 10 | 1908 |
6 | 1398 | 12 | 2163 |
8 | 1653 | 14 | 2418 |
以下是XSJ4~14/500-U系列小型厢式糖心在线观看视频播放相关介绍:
一、结构设计:
滤板:滤板尺寸为500mm×500mm,材质为增强聚丙烯,具有化学性能稳定、耐腐蚀性能良好、无毒、无味、重量轻、操作强度低等特点。滤板表面有麻点和凸台,用以支撑滤布,中心和边角上有通孔,组装后构成完整的通道,能通入悬浮液、洗涤水和引出滤液。
机架:采用高强度钢结构,安全可靠,功能稳定,经久耐用,足以承受滤板重量及压滤引起的强大压力。
工作原理:在输料泵的压力作用下,将需要过滤的物料液体送进由滤板排列组成的厢形滤室,通过过滤介质(滤布)将固体和液体分离。固体颗粒被截留在滤布上,形成滤渣,直至充满滤室形成滤饼。滤液穿过滤布并沿滤板沟槽流至下方出液孔通道,集中排出。过滤完毕,可通入清洗涤水洗涤滤渣,有时还通入压缩空气,除去剩余的洗涤液。过滤结束后打开糖心在线观看视频播放卸除滤饼,清洗滤布,重新压紧板滤开始下一工作循环。
性能参数:
过滤面积:4-14平方米。
过滤压力:≤0.8MPa。
过滤温度:<100℃。
滤室容量:随着过滤面积从4平方米到14平方米变化,滤室容量从50L到175L不等。
整机外形尺寸:长度从1808mm到3083mm不等,宽度为890mm,高度为875mm,整机质量从400kg到650kg。






二、特点优势:操作简便:采用手动千斤顶压紧,千斤顶保压,结构合理,操作维修简便。过滤效果好:密封性能良好,进料压力大(≤1MPa),能实现压紧、进料、过滤、洗涤等各道工序,过滤效果好。适用性强:用于各种悬浮液的固液分离,适用范围广,可应用于煤炭、石油、化工、冶金、医药、轻工、食品、环保、纺织等工业。


本网站上展示的产品仅用于工业上的污水固、液分离,由于产品的专业性和专用性,每件商品的具体性能和使用方法均不尽相同,页面上的描述仅供参考,并不适用于每个具体商品,您在决定购买之前,务必事前(老板电话13732231928)沟通。谢谢您的理解和支持!(本站仅用于产品展示,不接受线上交易)




